Nutzung der Gebäudemasse als Energiespeicher zur Unterstützung des zukünftigen Energienetzes - Fallanalyse CMU (FHNW Campus Muttenz)
Projektdetails
- Forschungsfeld
- Erneuerbare Energie und Gebäudetechnik
- Hochschule/Institut
- Hochschule für Architektur, Bau und Geomatik FHNW / Institut Nachhaltigkeit u.Energie am Bau

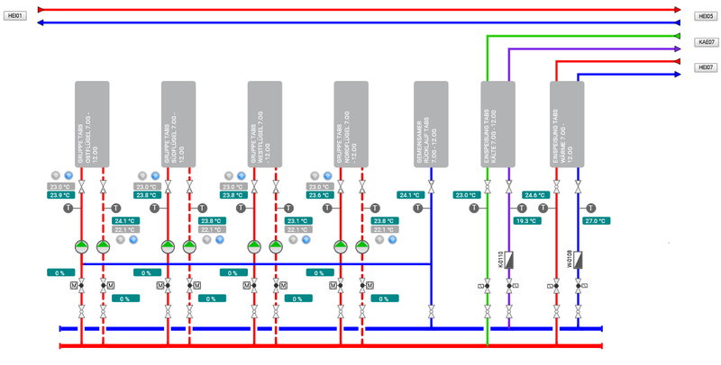
Im Rahmen dieses Projekts wird ein Proof-of-Concept für eine optimierte Regelung von thermisch aktivierten Bauteilsystemen (TABS) erarbeitet. Dabei soll gezeigt werden, dass die Vorlauftemperatur nicht nur basierend auf der Aussentemperatur, sondern auch unter Einbezug weiterer Wetterdaten, Energiepreisen und Informationen zur Raumnutzung bestimmt werden kann.

Zur Umsetzung wird ein datenbasiertes Modell entwickelt, das mit minimalem Sensoreinsatz arbeitet und sich in bestehende Gebäudeautomationssysteme integrieren lässt. Die benötigten Messdaten werden am FHNW-Gebäude „KUBUK“ erhoben und mithilfe von Methoden des maschinellen Lernens analysiert.

Durch diese prädiktive Steuerung soll ein Beitrag zur Steigerung der Energieeffizienz, zur Netzunterstützung sowie zur Reduktion von CO₂-Emissionen im Gebäudebetrieb geleistet werden. Das Konzept wird in einer realitätsnahen Umgebung simulativ getestet und visuell aufbereitet, um die Ergebnisse einem breiten Publikum zugänglich zu machen.
Eckdaten des Projekts
Zukunftsfeld | Zero Emission, New Work |
Finanzierung | HABG-Kollaborationsprojekt |
Projektvolumen | ca. CHF 49'500.00 |
Projektpartner*innen | Hochschule für Architektur, Bau und Geomatik (HABG): |
Förderorganisation | Fachhochschule Nordwestschweiz (FHNW) |
Projektleitung | |
Projektmitarbeitende | Vincent Gerber (INEB), Martin Müller (IBAU) |
Laufzeit | Januar 2025 - Dezember 2025 |
Kontakt
Institut Nachhaltigkeit und Energie am Bau
Fachhochschule Nordwestschweiz FHNW
Hochschule für Architektur, Bau und Geomatik Institut Nachhaltigkeit und Energie am Bau
Hofackerstrasse 30
4132 Muttenz
