E-bikes are charged independently of the grid with 100% locally produced solar energy.
Project details
- University
- FHNW School of Engineering and Environment / School of Engineering and Environment, Institute of Electrical Power Systems

Background
More and more people are commuting to work by e-bike in an environmentally friendly way. We have developed a charging station that charges several e-bikes with solar power produced directly on site. It does not require a mains connection and can be set up anywhere. Thanks to the integrated battery storage and a smart control unit, e-bikes can also be charged in bad weather or at night. The planned use of used "2nd Life" batteries as buffer storage will further improve the contribution to environmentally friendly mobility.

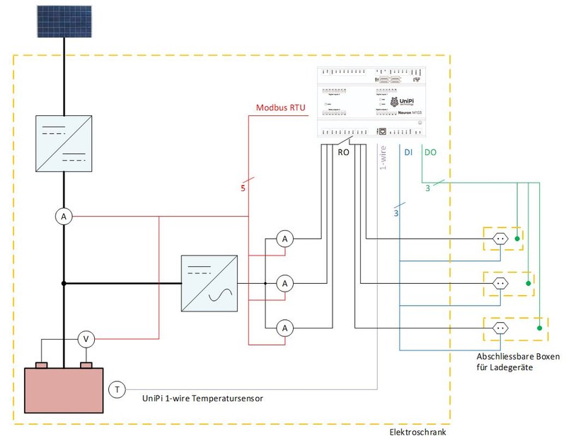
Figure 1: Diagram of the charging station with three charging ports for e-bikes.

Figure 2: Opened charging station with batteries, power electronics and control unit.
Goals
- System design and dimensioning (PV + buffer storage) of the charging station for a given number of e-bike charging stations.
- Development of a control algorithm for the highest possible availability.
- Design and operation of the charging station; evaluation of energy and usage data.
- Installation of a used 2nd life battery storage (pending)
Results
The autonomous charging station with three e-bike charging ports was installed at the location of our project partner JOWA in Gränichen in autumn 2019 and has been in operation there since then. Data (currents, voltages, temperature, energy production and consumption) are recorded and can be read out remotely. The measurement data are used to optimize the control algorithm for even higher availability for e-bike charges.
Project information
Execution | |
Research partner | |
Duration | 01.01.2019 – 31.12.2020 |
Funding | Foundation FHNW |
Project team |